| メモリーに・・・・・ | 昨日、レーダー探知機データ更新して 車に乗って過去の軌跡を micro SD に転送しようとしたら メモリーのエラーで転送できませんのと・・・・ ??? 何で? レーダー探知機の不具合なのか メモリーの不具合なのか・・・ 仕方ないので レーダー探知機の初期化をしましたが 転送できない・・・・( 一一) お出かけだったので 家でメモリーパソコンで開くとエラーでフォーマットしますか?と  どちらにしろ・・・・・ フォーマットしたらメモリーは使えるように。 その後、先日アップデートしたデータを、 もう一度ダウンロードして探知機に再アップデート。 そうしたら転送できるように・・・・・?? 先日アップデートした時にエラーが出たのか それが原因かな? 数日分の軌跡が消えた・・・・ FU〜。 ※ 最近の5件。 ※ 最近の一覧。 セルスター CellSTAR AR-750AT サイト内の検索が出来ます。 あの頃 の easy my web ボクらは いつか 見た 青い 空と 緑 大地 軌跡 イルカ IRUKA YouTube 歌詞「」あのころ あの 日 時 場所 ぼくは 僕らは 綺麗な 空 蒼い 葵 碧い 藍い 何時か 観た 看た 宙 天 大空 僕達は ボク 達は 時間 湘南 SHONAN SYOUNAN 西湘 SEISHO SIYOUNAN In those days I saw the blue sky one day? I was in those days A Patch of Blue is it? At that time From back then What I did at that time? Eventually saw그 무렵의 나는 언젠가 본 푸른 하늘은? 在那些日子里我看到了蓝天一天?我在那些日子里 蓝色补丁是什么呢?In jenen Tagen sah ich den blauen Himmel einen Tag? Ich war in jenen Tagen A Patch of Blue ist das? En ces jours, jai vu le ciel bleu un jour? Jétais à cette époque Sono stato in quei giorni In quei giorni ho visto il cielo azzurro un giorno? A Patch of Blue è? В те дни я увидел синее небо один день? дня яEn ces jours, j ai vu le ciel bleu un jour? Eu vio céu azul algum dia? Me daqueles dias....人気ブログランキングへ |
|
2013/04/28 19:39:00| 車・・・・ | トノカバー・・・・・ | 先日、フックを取る付けたので 起用の午前中に紐とマグネットで・・・・  マグネットは 強い力が加わったら マグネットが外れて紐切れや フックにかかる過負荷を減らすために・・・・・ (3個の対だと強すぎで2個の対にしました。) フック部分 カバー(布)をかぶせてみました。 中が見えなくて良いです。 純正品と違いフレームなどないので 使わない時でも邪魔にならないから・・・・・・・ ※ 最近の5件。 ※ 最近の一覧。 磁石 magnet ネオジム ネオジウム neodym Neodymium magnet 横浜トヨペット Toyopet プリウス PRIUS alpha アルファ alpha DAA-ZVW41W-AXXGB DAA-ZVW40W-AWXGB ツーリングセレクションS DAA-ZVW41W-AXXEB(T) サイト内の検索が出来ます。 あの頃 の easy my web ボクらは いつか 見た 青い 空と 緑 大地 軌跡 イルカ IRUKA YouTube 歌詞「」あのころ あの 日 時 場所 ぼくは 僕らは 綺麗な 空 蒼い 葵 碧い 藍い 何時か 観た 看た 宙 天 大空 僕達は ボク 達は 時間 湘南 SHONAN SYOUNAN 西湘 SEISHO SIYOUNAN In those days I saw the blue sky one day? I was in those days A Patch of Blue is it? At that time From back then What I did at that time? Eventually saw그 무렵의 나는 언젠가 본 푸른 하늘은? 在那些日子里我看到了蓝天一天?我在那些日子里 蓝色补丁是什么呢?In jenen Tagen sah ich den blauen Himmel einen Tag? Ich war in jenen Tagen A Patch of Blue ist das? En ces jours, jai vu le ciel bleu un jour? Jétais à cette époque Sono stato in quei giorni In quei giorni ho visto il cielo azzurro un giorno? A Patch of Blue è? В те дни я увидел синее небо один день? дня яEn ces jours, j ai vu le ciel bleu un jour? Eu vio céu azul algum dia? Me daqueles dias....人気ブログランキングへ |
|
| 昼から麦酒・・・・・ | 幼なじみが訪ねてきて 昼から麦酒・・・・ 天気が良くて ポカポカだったので 気持ちが良く・・・・ つまみは「鰯の刺身」で・・・・  FU〜。・・・・・ ※ 最近の5件。 ※ 最近の一覧。 Beer 麦酒 ビール 麒麟淡麗〈生〉 きりんたん れいなま 生ビール 麦酒 BEER キリンビール 発泡酒 偽BEER にせ えせ 麦芽、ホップ、 大麦、米、コーンスターチ、糖類 KIRIN エビス 恵比須 ヱビス 恵比寿 戎 夷 EBISU サイト内の検索が出来ます。 あの頃 の easy my web ボクらは いつか 見た 青い 空と 緑 大地 軌跡 イルカ IRUKA YouTube 歌詞「」あのころ あの 日 時 場所 ぼくは 僕らは 綺麗な 空 蒼い 葵 碧い 藍い 何時か 観た 看た 宙 天 大空 僕達は ボク 達は 時間 湘南 SHONAN SYOUNAN 西湘 SEISHO SIYOUNAN In those days I saw the blue sky one day? I was in those days A Patch of Blue is it? At that time From back then What I did at that time? Eventually saw그 무렵의 나는 언젠가 본 푸른 하늘은? 在那些日子里我看到了蓝天一天?我在那些日子里 蓝色补丁是什么呢?In jenen Tagen sah ich den blauen Himmel einen Tag? Ich war in jenen Tagen A Patch of Blue ist das? En ces jours, jai vu le ciel bleu un jour? Jétais à cette époque Sono stato in quei giorni In quei giorni ho visto il cielo azzurro un giorno? A Patch of Blue è? В те дни я увидел синее небо один день? дня яEn ces jours, j ai vu le ciel bleu un jour? Eu vio céu azul algum dia? Me daqueles dias....人気ブログランキングへ |
|
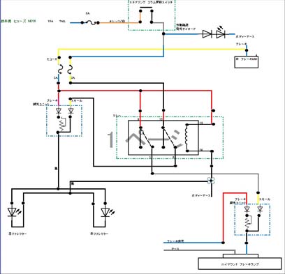
2013/04/28 12:56:00| 車・・・・ | リアリフレクターの点灯回路変更・・・・ | 車検、点検対応での回路の変更を 午前中に行いました。  リレーと照度コントローラはプラスチック容器に入れて・・・・ 補機バッテリー横この空いたスペースに設置。 容器には調整用の穴をを開けて 蓋を開けなくても調整できるようにしました。  リアリフレクターの加工・・・・・1 ※ 最近の5件。 ※ 最近の一覧。 横浜トヨペット Toyopet プリウス PRIUS alpha アルファ alpha DAA-ZVW41W-AXXGB DAA-ZVW40W-AWXGB ツーリングセレクションS DAA-ZVW41W-AXXEB(T)発光ダイオード はっこうダイオード、Light Emitting Diode、LED 発光する 半導体素子 発光原理 エレクトロルミネセンス (EL)効果を利用している。有機エレクトロルミネッセンス Organic light-emitting diodes OLEDs 有機EL 照明 中華品質 made inChina 中華製 クオリティー vanity mirror 照明 ランプ roomlamp interior lamp back fog room cargo 足元ランプ footlamp illumination HIGH beam ストップランプ stopl tail brake LEDハイマウントポジション化ユニット スモール light ライト 点灯 回路 サイト内の検索が出来ます。 あの頃 の easy my web ボクらは いつか 見た 青い 空と 緑 大地 軌跡 イルカ IRUKA YouTube 歌詞「」あのころ あの 日 時 場所 ぼくは 僕らは 綺麗な 空 蒼い 葵 碧い 藍い 何時か 観た 看た 宙 天 大空 僕達は ボク 達は 時間 湘南 SHONAN SYOUNAN 西湘 SEISHO SIYOUNAN In those days I saw the blue sky one day? I was in those days A Patch of Blue is it? At that time From back then What I did at that time? Eventually saw그 무렵의 나는 언젠가 본 푸른 하늘은? 在那些日子里我看到了蓝天一天?我在那些日子里 蓝色补丁是什么呢?In jenen Tagen sah ich den blauen Himmel einen Tag? Ich war in jenen Tagen A Patch of Blue ist das? En ces jours, jai vu le ciel bleu un jour? Jétais à cette époque Sono stato in quei giorni In quei giorni ho visto il cielo azzurro un giorno? A Patch of Blue è? В те дни я увидел синее небо один день? дня яEn ces jours, j ai vu le ciel bleu un jour? Eu vio céu azul algum dia? Me daqueles dias....人気ブログランキングへ |
|
2013/04/27 21:02:00| 車・・・・ | スロープを作りました。・・・・ | |
<< 前の5件 [ 1866 - 1870 件 / 6167 件中 ] 次の5件 >>
<< 最新の記事へ >>
|