あの頃の僕は・・・・・いつか見た青い空は?

   食う    寝る    遊ぶ
                 い つ ま で も    ど こ ま で も・・・・・
       

 
2013/04/30 8:26:54|雑文
圏央道・・・・・
圏央道、さがみ縦貫道路を走ってきました。



寒川北から藤沢まで・・・・・





風が強かったので横風にあおられる道路です。
すべて高架なので
冬季の積雪時は通行止めになるでしょうね。



アップダウンも有るので・・・・・




感想は出来たばっかしなので
轍もなく走りやすいです。
でも、
この区間は使う事はほとんどと言って無いでしょう。
厚木に出た方が高速代も安いし・・・・

寒川北から茅ケ崎中央まで  250円
茅ケ崎北から藤沢まで 300円




高すぎます。


FU〜。


途中の寒川南IC手前のカーブはR300でバンクも付いていて
高速コーナーって感じで・・・・

 最近の5件。     最近の一覧。
  圏央道 3環状 首都圏中央連絡自動車道 高規格幹線道路 第一東海自動車道 国土開発幹線自動車道 国幹道 東名高速道路 第2東名 第二東海自動車道(新東名高速道路)東海道幹線自動車国道 茅ヶ崎市西久保 厚木市上依知 海老名南JCT 横浜国道事業 首都圏中央連絡自動車道 国土交通省         
サイト内の検索が出来ます。
Google
WWW を検索
「あの頃の僕は」サイト内を検索

Yahoo! JAPAN

  • ウェブ全体を検索
  • あの頃の僕は・・・・・のサイト内を検索します。
あの頃 の easy my web ボクらは いつか 見た 青い 空と 緑 大地 軌跡 イルカ IRUKA YouTube 歌詞「」あのころ あの 日 時 場所 ぼくは 僕らは 綺麗な 空 蒼い 葵 碧い 藍い 何時か 観た 看た 宙 天 大空 僕達は ボク 達は 時間 湘南 SHONAN SYOUNAN 西湘 SEISHO SIYOUNAN In those days I saw the blue sky one day? I was in those days A Patch of Blue is it? At that time From back then What I did at that time? Eventually saw그 무렵의 나는 언젠가 본 푸른 하늘은? 在那些日子里我看到了蓝天一天?我在那些日子里 蓝色补丁是什么呢?In jenen Tagen sah ich den blauen Himmel einen Tag? Ich war in jenen Tagen A Patch of Blue ist das? En ces jours, jai vu le ciel bleu un jour? Jétais à cette époque Sono stato in quei giorni In quei giorni ho visto il cielo azzurro un giorno? A Patch of Blue è? В те дни я увидел синее небо один день? дня яEn ces jours, j ai vu le ciel bleu un jour? Eu vio céu azul algum dia? Me daqueles dias....人気ブログランキングへ








2013/04/29 20:20:00|バイク
夕方・・・・・
ミニカーの部品を発注しに
田村のバイク屋に・・・・・


オートチョークの部品は高すぎ。(>_<)(>_<)。

FU〜・・・・・

 
 最近の5件。     最近の一覧。
 
  ジヤイロ ジャイロ X TD01 キャノピー ホンダ HONDA Gyro X Gyro canopy ミニカー MINIcar 3輪 原付カー Yahoo!オークション ジャイロ キャノピーサイト 原付バイク オートバイ モーターサイクル AUTOBIKE motorcycle        
サイト内の検索が出来ます。
Google
WWW を検索
「あの頃の僕は」サイト内を検索

Yahoo! JAPAN

  • ウェブ全体を検索
  • あの頃の僕は・・・・・のサイト内を検索します。
あの頃 の easy my web ボクらは いつか 見た 青い 空と 緑 大地 軌跡 イルカ IRUKA YouTube 歌詞「」あのころ あの 日 時 場所 ぼくは 僕らは 綺麗な 空 蒼い 葵 碧い 藍い 何時か 観た 看た 宙 天 大空 僕達は ボク 達は 時間 湘南 SHONAN SYOUNAN 西湘 SEISHO SIYOUNAN In those days I saw the blue sky one day? I was in those days A Patch of Blue is it? At that time From back then What I did at that time? Eventually saw그 무렵의 나는 언젠가 본 푸른 하늘은? 在那些日子里我看到了蓝天一天?我在那些日子里 蓝色补丁是什么呢?In jenen Tagen sah ich den blauen Himmel einen Tag? Ich war in jenen Tagen A Patch of Blue ist das? En ces jours, jai vu le ciel bleu un jour? Jétais à cette époque Sono stato in quei giorni In quei giorni ho visto il cielo azzurro un giorno? A Patch of Blue è? В те дни я увидел синее небо один день? дня яEn ces jours, j ai vu le ciel bleu un jour? Eu vio céu azul algum dia? Me daqueles dias....人気ブログランキングへ







2013/04/29 15:55:00|バイク
ミニカーで・・・・・
久々のミニカーです。

先月、プラグ交換して・・・・


オートチョークが調子悪くここしばらくで
乗って無かったんですが
気候も良くなり
昨日からバッテリーを充電して・・・・・

もし、かからなかったら
キャブレターO/Hかなと思いましたが
セルで始動したので
ガソリンを入れに・・・・・


10kmほど走りましたが
調子よく・・・・・


どうするかな?


オートチョークの部品を頼まないと・・・

 最近の5件。     最近の一覧。
 ジヤイロ ジャイロ X TD01 キャノピー ホンダ HONDA Gyro X Gyro canopy ミニカー MINIcar 3輪 原付カー Yahoo!オークション ジャイロ キャノピーサイト 原付バイク オートバイ モーターサイクル AUTOBIKE motorcycle 原付バイク      
サイト内の検索が出来ます。
Google
WWW を検索
「あの頃の僕は」サイト内を検索

Yahoo! JAPAN

  • ウェブ全体を検索
  • あの頃の僕は・・・・・のサイト内を検索します。
あの頃 の easy my web ボクらは いつか 見た 青い 空と 緑 大地 軌跡 イルカ IRUKA YouTube 歌詞「」あのころ あの 日 時 場所 ぼくは 僕らは 綺麗な 空 蒼い 葵 碧い 藍い 何時か 観た 看た 宙 天 大空 僕達は ボク 達は 時間 湘南 SHONAN SYOUNAN 西湘 SEISHO SIYOUNAN In those days I saw the blue sky one day? I was in those days A Patch of Blue is it? At that time From back then What I did at that time? Eventually saw그 무렵의 나는 언젠가 본 푸른 하늘은? 在那些日子里我看到了蓝天一天?我在那些日子里 蓝色补丁是什么呢?In jenen Tagen sah ich den blauen Himmel einen Tag? Ich war in jenen Tagen A Patch of Blue ist das? En ces jours, jai vu le ciel bleu un jour? Jétais à cette époque Sono stato in quei giorni In quei giorni ho visto il cielo azzurro un giorno? A Patch of Blue è? В те дни я увидел синее небо один день? дня яEn ces jours, j ai vu le ciel bleu un jour? Eu vio céu azul algum dia? Me daqueles dias....人気ブログランキングへ







2013/04/29 12:41:00|雑文
頂き物の御饅頭で・・・・・
福島県の
有名な御饅頭です。



頂き物で・・・・・
黒糖を使った薄い皮で餡がいっぱい。




 最近の5件。     最近の一覧。
   ゆべし(柚餅子) 柚子 加工食品 和菓子 。かんのやの 銘菓 家伝ゆべし 塩ゆべし(家伝ゆべし塩あん入り おみやげ 柏屋 薄皮饅頭 郡山銘菓庵 大黒屋 百年の伝統 大黒屋のくるみゆべし       
サイト内の検索が出来ます。
Google
WWW を検索
「あの頃の僕は」サイト内を検索

Yahoo! JAPAN

  • ウェブ全体を検索
  • あの頃の僕は・・・・・のサイト内を検索します。
あの頃 の easy my web ボクらは いつか 見た 青い 空と 緑 大地 軌跡 イルカ IRUKA YouTube 歌詞「」あのころ あの 日 時 場所 ぼくは 僕らは 綺麗な 空 蒼い 葵 碧い 藍い 何時か 観た 看た 宙 天 大空 僕達は ボク 達は 時間 湘南 SHONAN SYOUNAN 西湘 SEISHO SIYOUNAN In those days I saw the blue sky one day? I was in those days A Patch of Blue is it? At that time From back then What I did at that time? Eventually saw그 무렵의 나는 언젠가 본 푸른 하늘은? 在那些日子里我看到了蓝天一天?我在那些日子里 蓝色补丁是什么呢?In jenen Tagen sah ich den blauen Himmel einen Tag? Ich war in jenen Tagen A Patch of Blue ist das? En ces jours, jai vu le ciel bleu un jour? Jétais à cette époque Sono stato in quei giorni In quei giorni ho visto il cielo azzurro un giorno? A Patch of Blue è? В те дни я увидел синее небо один день? дня яEn ces jours, j ai vu le ciel bleu un jour? Eu vio céu azul algum dia? Me daqueles dias....人気ブログランキングへ







2013/04/29 9:53:35|車・・・・
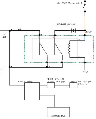
DC/ACインバーター接続回路変更・・・・・
昨日、リレーを使用して
メインスイッチを入れも同時にインバーターが作動しない様に
別にプッシュスイッチを設けました。


READYをOFFにする度に
保持回路が切れるので
次回からはプッシュボタンを押て
ONにしないと作動しない回路です。

 
車にA/C 100Vのコンセントを・・・・


 
 最近の5件。     最近の一覧。
  横浜トヨペット Toyopet プリウス PRIUS alpha アルファ alpha  DAA-ZVW41W-AXXGB DAA-ZVW40W-AWXGB ツーリングセレクションS DAA-ZVW41W-AXXEB(T)発光ダイオード はっこうダイオード、Light Emitting Diode、LED 発光する 半導体素子 発光原理 エレクトロルミネセンス (EL)効果を利用している。有機エレクトロルミネッセンス Organic light-emitting diodes OLEDs 有機EL 照明 中華品質 made inChina 中華製 クオリティー vanity mirror 照明 ランプ roomlamp interior lamp back fog room cargo 足元ランプ footlamp illumination HIGH beam ストップランプ stopl tail brake inverter 正弦波 短形波 疑似正弦波  
サイト内の検索が出来ます。
Google
WWW を検索
「あの頃の僕は」サイト内を検索

Yahoo! JAPAN

  • ウェブ全体を検索
  • あの頃の僕は・・・・・のサイト内を検索します。
あの頃 の easy my web ボクらは いつか 見た 青い 空と 緑 大地 軌跡 イルカ IRUKA YouTube 歌詞「」あのころ あの 日 時 場所 ぼくは 僕らは 綺麗な 空 蒼い 葵 碧い 藍い 何時か 観た 看た 宙 天 大空 僕達は ボク 達は 時間 湘南 SHONAN SYOUNAN 西湘 SEISHO SIYOUNAN In those days I saw the blue sky one day? I was in those days A Patch of Blue is it? At that time From back then What I did at that time? Eventually saw그 무렵의 나는 언젠가 본 푸른 하늘은? 在那些日子里我看到了蓝天一天?我在那些日子里 蓝色补丁是什么呢?In jenen Tagen sah ich den blauen Himmel einen Tag? Ich war in jenen Tagen A Patch of Blue ist das? En ces jours, jai vu le ciel bleu un jour? Jétais à cette époque Sono stato in quei giorni In quei giorni ho visto il cielo azzurro un giorno? A Patch of Blue è? В те дни я увидел синее небо один день? дня яEn ces jours, j ai vu le ciel bleu un jour? Eu vio céu azul algum dia? Me daqueles dias....人気ブログランキングへ







<< 前の5件 [ 1861 - 1865 件 / 6167 件中 ] 次の5件 >>  << 最新の記事へ >>