仮設で取り付けていたLEDランプ。
単4電池3本使用のもので、
レンズ部分を押すとLED(3灯)点灯します。
取付前のノーマルのバルブの点灯写真です。
ほんと暗いです。

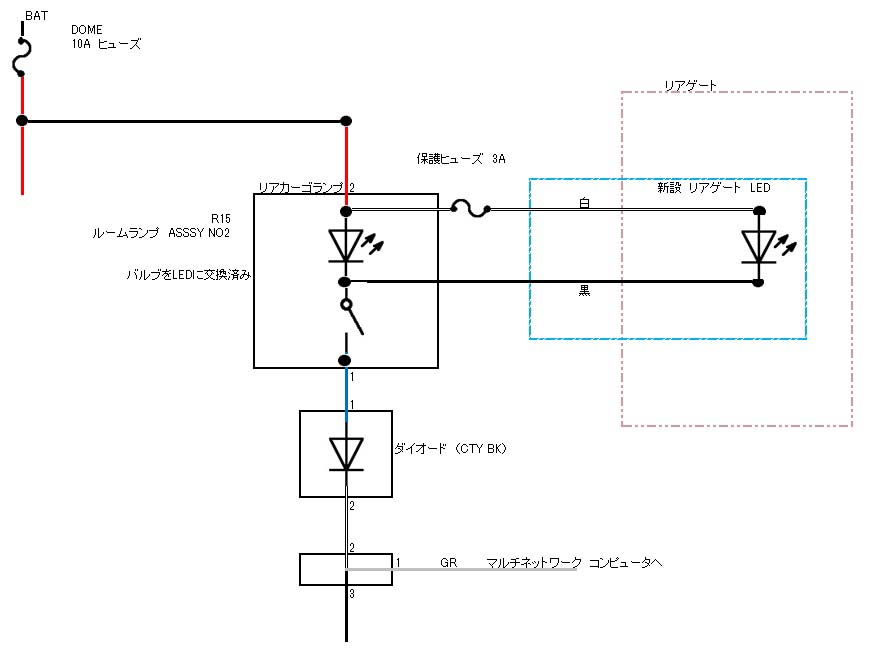
配線はリアゲートから
リアのルーフ中央の防水ゴムカバーを通して
左のテールランプ部分まで配線をしています。

判り難いですが
車両側のゴムをさえる白いプラスチック部品が
外し難いです。
4方向に爪がありそれを押さないと外れませんし
ゴムが取り付けられません。
3度目の取り外しです。・・・・・ゆるくなってきた(>_<)。

内貼りを外して養生テープでリアゲートに仮止めです。
配線が挟み込まないように・・・・・
その後はテールランプの裏で配線に余裕をもって
リアの横のカーゴルームランプのスイッチ部分に接続です。
リアゲートのLED照明の配線覚え・・・・・・リアゲートのLED照明・・・・・・4リアゲートのLED照明・・・・・・3リアゲートのLED照明・・・・・・2 リアゲートのLED照明・・・・・・1カテゴリー 車※ 最近の5件。 ※ 最近の一覧。 横浜トヨペット Toyopet プリウス PRIUS alpha アルファ alpha DAA-ZVW41W-AXXGB DAA-ZVW40W-AWXGB ツーリングセレクションS DAA-ZVW41W-AXXEB(T)発光ダイオード はっこうダイオード、Light Emitting Diode、LED 発光する 半導体素子 発光原理 エレクトロルミネセンス (EL)効果を利用している。有機エレクトロルミネッセンス Organic light-emitting diodes OLEDs 有機EL カーゴルーム cargo room trunk トランク ハッチバックゲート hatchback gate リアドア Rear door
サイト内の検索が出来ます。 あの頃 の easy my web ボクらは いつか 見た 青い 空と 緑 大地 軌跡 イルカ IRUKA YouTube 歌詞「」あのころ あの 日 時 場所 ぼくは 僕らは 綺麗な 空 蒼い 葵 碧い 藍い 何時か 観た 看た 宙 天 大空 僕達は ボク 達は 時間 湘南 SHONAN SYOUNAN 西湘 SEISHO SIYOUNAN In those days I saw the blue sky one day? I was in those days A Patch of Blue is it? At that time From back then What I did at that time? Eventually saw그 무렵의 나는 언젠가 본 푸른 하늘은? 在那些日子里我看到了蓝天一天?我在那些日子里 蓝色补丁是什么呢?In jenen Tagen sah ich den blauen Himmel einen Tag? Ich war in jenen Tagen A Patch of Blue ist das? En ces jours, jai vu le ciel bleu un jour? Jétais à cette époque Sono stato in quei giorni In quei giorni ho visto il cielo azzurro un giorno? A Patch of Blue è? В те дни я увидел синее небо один день? дня яEn ces jours, j ai vu le ciel bleu un jour? Eu vio céu azul algum dia? Me daqueles dias....人気ブログランキングへ