あの頃の僕は・・・・・いつか見た青い空は?

   食う    寝る    遊ぶ
                 い つ ま で も    ど こ ま で も・・・・・
       

 
2013/04/21 19:41:00|今日の出来事
親戚から・・・・・・
夕方、親戚の農家から
宅配便が・・・・・



2個口です。

一つは野菜でにら、山菜、キュウリ、ほうれん草・・・・





もう一つの箱はお米30kg。



宅配便の人が苦労していました。

しばらくお米は買わなくても
良い感じです。


有難いことです。

 
 最近の5件。     最近の一覧。
 農産物 専業農家 山芋 葱 ねぎ 里芋 ささにしき ササニシキ  茨城県 大子町 農業 こしひかり 
サイト内の検索が出来ます。
Google
WWW を検索
「あの頃の僕は」サイト内を検索

Yahoo! JAPAN

  • ウェブ全体を検索
  • あの頃の僕は・・・・・のサイト内を検索します。
あの頃 の easy my web ボクらは いつか 見た 青い 空と 緑 大地 軌跡 イルカ IRUKA YouTube 歌詞「」あのころ あの 日 時 場所 ぼくは 僕らは 綺麗な 空 蒼い 葵 碧い 藍い 何時か 観た 看た 宙 天 大空 僕達は ボク 達は 時間 湘南 SHONAN SYOUNAN 西湘 SEISHO SIYOUNAN In those days I saw the blue sky one day? I was in those days A Patch of Blue is it? At that time From back then What I did at that time? Eventually saw그 무렵의 나는 언젠가 본 푸른 하늘은? 在那些日子里我看到了蓝天一天?我在那些日子里 蓝色补丁是什么呢?In jenen Tagen sah ich den blauen Himmel einen Tag? Ich war in jenen Tagen A Patch of Blue ist das? En ces jours, jai vu le ciel bleu un jour? Jétais à cette époque Sono stato in quei giorni In quei giorni ho visto il cielo azzurro un giorno? A Patch of Blue è? В те дни я увидел синее небо один день? дня яEn ces jours, j ai vu le ciel bleu un jour? Eu vio céu azul algum dia? Me daqueles dias....人気ブログランキングへ







2013/04/21 14:49:00|車・・・・
友人の車のフットランプを・・・・・
手持ちのLEDで友人の車のフットランプを・・・・・
直接光が強すぎるので
間接光で何か良い物はないかなと?・・・・・


100均で見つけた6本100円のアクリルのスプーンを見つけて
持つ部分を切断して裏側に不要にアクリル板に
アルミテープ貼り付け両面テープで張り合わせて
出来上がり。   


点灯させるとこんな感じになりました。



接続もシガーソケットで。

 
 最近の5件。     最近の一覧。
   アクア aqua トヨタ HYBRID footlamp LED 自作 
サイト内の検索が出来ます。
Google
WWW を検索
「あの頃の僕は」サイト内を検索

Yahoo! JAPAN

  • ウェブ全体を検索
  • あの頃の僕は・・・・・のサイト内を検索します。
あの頃 の easy my web ボクらは いつか 見た 青い 空と 緑 大地 軌跡 イルカ IRUKA YouTube 歌詞「」あのころ あの 日 時 場所 ぼくは 僕らは 綺麗な 空 蒼い 葵 碧い 藍い 何時か 観た 看た 宙 天 大空 僕達は ボク 達は 時間 湘南 SHONAN SYOUNAN 西湘 SEISHO SIYOUNAN In those days I saw the blue sky one day? I was in those days A Patch of Blue is it? At that time From back then What I did at that time? Eventually saw그 무렵의 나는 언젠가 본 푸른 하늘은? 在那些日子里我看到了蓝天一天?我在那些日子里 蓝色补丁是什么呢?In jenen Tagen sah ich den blauen Himmel einen Tag? Ich war in jenen Tagen A Patch of Blue ist das? En ces jours, jai vu le ciel bleu un jour? Jétais à cette époque Sono stato in quei giorni In quei giorni ho visto il cielo azzurro un giorno? A Patch of Blue è? В те дни я увидел синее небо один день? дня яEn ces jours, j ai vu le ciel bleu un jour? Eu vio céu azul algum dia? Me daqueles dias....人気ブログランキングへ







2013/04/21 9:10:00|車・・・・
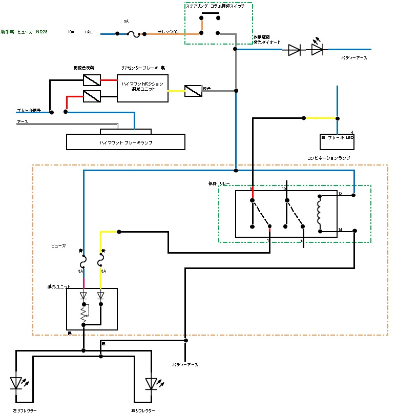
リアリフレクター 点灯回路図 覚え。・・・・
リフレクター点灯回路図です。

リアのハイマウントストップランプのポジション
点灯させる回路にテール点灯の配線に
割り込ませているため
そのままではブレーキが常時点灯してしまうので
リレーを入れてハイマウントスイッチを切ることにより
ブレーキからの入力もリレーで切断される様にして、
点検や車検時にスイッチでOFFできるようにしています。





リアリフレクターの取付・・・・・1
リアリフレクターの取付・・・・・2


リアリフレクターの加工・・・・・1

リフレクターの点灯は車検には通りませんので
ご注意を。


自己責任で。
 最近の5件。     最近の一覧。
横浜トヨペット Toyopet プリウス PRIUS alpha アルファ alpha  DAA-ZVW41W-AXXGB DAA-ZVW40W-AWXGB ツーリングセレクションS DAA-ZVW41W-AXXEB(T)発光ダイオード はっこうダイオード、Light Emitting Diode、LED 発光する 半導体素子 発光原理 エレクトロルミネセンス (EL)効果を利用している。有機エレクトロルミネッセンス Organic light-emitting diodes OLEDs 有機EL 照明 りふれくたー 純正 リア リフレクター Rear Reflector 光や音などの波を反射 リアフォグ Rearfog back fog ポジション position  Reflection  装置 反射器・反射板 反射機 中華品質 made inChina 中華製 クオリティー Smart key  アンテナ antenna combination HIGH mount brake lamp 
サイト内の検索が出来ます。
Google
WWW を検索
「あの頃の僕は」サイト内を検索

Yahoo! JAPAN

  • ウェブ全体を検索
  • あの頃の僕は・・・・・のサイト内を検索します。
あの頃 の easy my web ボクらは いつか 見た 青い 空と 緑 大地 軌跡 イルカ IRUKA YouTube 歌詞「」あのころ あの 日 時 場所 ぼくは 僕らは 綺麗な 空 蒼い 葵 碧い 藍い 何時か 観た 看た 宙 天 大空 僕達は ボク 達は 時間 湘南 SHONAN SYOUNAN 西湘 SEISHO SIYOUNAN In those days I saw the blue sky one day? I was in those days A Patch of Blue is it? At that time From back then What I did at that time? Eventually saw그 무렵의 나는 언젠가 본 푸른 하늘은? 在那些日子里我看到了蓝天一天?我在那些日子里 蓝色补丁是什么呢?In jenen Tagen sah ich den blauen Himmel einen Tag? Ich war in jenen Tagen A Patch of Blue ist das? En ces jours, jai vu le ciel bleu un jour? Jétais à cette époque Sono stato in quei giorni In quei giorni ho visto il cielo azzurro un giorno? A Patch of Blue è? В те дни я увидел синее небо один день? дня яEn ces jours, j ai vu le ciel bleu un jour? Eu vio céu azul algum dia? Me daqueles dias....人気ブログランキングへ







2013/04/21 9:05:50|車・・・・
フック取り付けました。
コストダウンでリアのカーゴ部分の
トノカバーがオプションなんです。
24,150円(消費税抜き23,000円)


 


ちょっと・・・・・
以前、乗っていた車は付いていたのに・・・・・・


購入するのも( 一一)




トノカバーの引っかける左右の固定部分の
ネジの所にステンレスのL字金具を加工して
取り付けてみました。






取付部のネジは先端が段になり
組み立てラインでの作業性の向上なのかな?
ボルトがかじらない様になっているだろうね。
 最近の5件。     最近の一覧。
横浜トヨペット Toyopet プリウス PRIUS alpha アルファ alpha  DAA-ZVW41W-AXXGB DAA-ZVW40W-AWXGB ツーリングセレクションS DAA-ZVW41W-AXXEB(T)TONO cover カーゴ ルーム cargo room
サイト内の検索が出来ます。
Google
WWW を検索
「あの頃の僕は」サイト内を検索

Yahoo! JAPAN

  • ウェブ全体を検索
  • あの頃の僕は・・・・・のサイト内を検索します。
あの頃 の easy my web ボクらは いつか 見た 青い 空と 緑 大地 軌跡 イルカ IRUKA YouTube 歌詞「」あのころ あの 日 時 場所 ぼくは 僕らは 綺麗な 空 蒼い 葵 碧い 藍い 何時か 観た 看た 宙 天 大空 僕達は ボク 達は 時間 湘南 SHONAN SYOUNAN 西湘 SEISHO SIYOUNAN In those days I saw the blue sky one day? I was in those days A Patch of Blue is it? At that time From back then What I did at that time? Eventually saw그 무렵의 나는 언젠가 본 푸른 하늘은? 在那些日子里我看到了蓝天一天?我在那些日子里 蓝色补丁是什么呢?In jenen Tagen sah ich den blauen Himmel einen Tag? Ich war in jenen Tagen A Patch of Blue ist das? En ces jours, jai vu le ciel bleu un jour? Jétais à cette époque Sono stato in quei giorni In quei giorni ho visto il cielo azzurro un giorno? A Patch of Blue è? В те дни я увидел синее небо один день? дня яEn ces jours, j ai vu le ciel bleu un jour? Eu vio céu azul algum dia? Me daqueles dias....人気ブログランキングへ







2013/04/20 21:09:00|パソコン
Windows Update・・・・・・
先日のことになるのですが
「4月10日に配信された「Windows Update」のうち、
「カーネルモードドライバーの脆弱性により、
特権が昇格される」という不具合を修正するための
更新プログラム(2823324)の問題により、
システムエラーが発生するケースがあるとのことで・・・・・」


コントロールパネルの「プログラムと機能」から
インストールされているか
確認してみました。



「KB2823324」はインストールされていました。


数分で・・・・・削除しました。




再起動して完了です。




以前はセキュリテーソフトで再起動トラブルが有ったので
こういう問題が有ると不安です。
 最近の5件。     最近の一覧。
   ☆ ☆ ☆ ☆ ☆    
サイト内の検索が出来ます。
Google
WWW を検索
「あの頃の僕は」サイト内を検索

Yahoo! JAPAN

  • ウェブ全体を検索
  • あの頃の僕は・・・・・のサイト内を検索します。
あの頃 の easy my web ボクらは いつか 見た 青い 空と 緑 大地 軌跡 イルカ IRUKA YouTube 歌詞「」あのころ あの 日 時 場所 ぼくは 僕らは 綺麗な 空 蒼い 葵 碧い 藍い 何時か 観た 看た 宙 天 大空 僕達は ボク 達は 時間 湘南 SHONAN SYOUNAN 西湘 SEISHO SIYOUNAN In those days I saw the blue sky one day? I was in those days A Patch of Blue is it? At that time From back then What I did at that time? Eventually saw그 무렵의 나는 언젠가 본 푸른 하늘은? 在那些日子里我看到了蓝天一天?我在那些日子里 蓝色补丁是什么呢?In jenen Tagen sah ich den blauen Himmel einen Tag? Ich war in jenen Tagen A Patch of Blue ist das? En ces jours, jai vu le ciel bleu un jour? Jétais à cette époque Sono stato in quei giorni In quei giorni ho visto il cielo azzurro un giorno? A Patch of Blue è? В те дни я увидел синее небо один день? дня яEn ces jours, j ai vu le ciel bleu un jour? Eu vio céu azul algum dia? Me daqueles dias....人気ブログランキングへ







<< 前の5件 [ 1891 - 1895 件 / 6167 件中 ] 次の5件 >>  << 最新の記事へ >>