2013/10/27 12:33:11| 車・・・・ | 12か月点検・・・・ | 11か月しか経っていないけど12か月点検です。 悪いところも無いのですが メンテナンスパックなので費用も掛からず オイルとエレメント交換。 あとタイヤローテーション。 リアブレーキも異音がちょっと気になったので 点検も・・・・・ 1時間ほどで終了です。 でも、 パンク修理キット使用期限点検と記載されてるけど???? 一年で?  あとは、車の部品を頼んで・・・・・ ※ 最近の5件。 ※ 最近の一覧。 横浜トヨペット Toyopet プリウス PRIUSα アルファ alpha DAA-ZVW41W-AXXGB DAA-ZVW40W-AWXGB ツーリングセレクションS DAA-ZVW41W-AXXEB(T) YOKOHAMA ハイブリッド hybrid synergy drive 共同作用. 共働,シナジー 複合型相乗効果ドライブ 複合型相乗効果駆動 ハイブリッド相乗効果ドライブ puriusu 12か月点検 記録簿 サイト内の検索が出来ます。 あの頃 の easy my web ボクらは いつか 見た 青い 空と 緑 大地 軌跡 イルカ IRUKA YouTube 歌詞「」あのころ あの 日 時 場所 ぼくは 僕らは 綺麗な 空 蒼い 葵 碧い 藍い 何時か 観た 看た 宙 天 大空 僕達は ボク 達は 時間 湘南 SHONAN SYOUNAN 西湘 SEISHO SIYOUNAN In those days I saw the blue sky one day? I was in those days A Patch of Blue is it? At that time From back then What I did at that time? Eventually saw그 무렵의 나는 언젠가 본 푸른 하늘은? 在那些日子里我看到了蓝天一天?我在那些日子里 蓝色补丁是什么呢?In jenen Tagen sah ich den blauen Himmel einen Tag? Ich war in jenen Tagen A Patch of Blue ist das? En ces jours, jai vu le ciel bleu un jour? Jétais à cette époque Sono stato in quei giorni In quei giorni ho visto il cielo azzurro un giorno? A Patch of Blue è? В те дни я увидел синее небо один день? дня яEn ces jours, j ai vu le ciel bleu un jour? Eu vio céu azul algum dia? Me daqueles dias....人気ブログランキングへ |
|
| シートヒーターの電流値は・・・・・ | 先日も書きましたが 寒くなれば電流値は高くなるみたいです。
ヒータ4枚で カタログ値の最大電流8Aまでは流れないみたいですね。
(マイナス表示内なっています。)
前回は片側2枚での値でしたから・・・・
エンジンが始動しているときで ヒーターにかかる電圧は14.5Vでした。

スイッチは運転席のセンターコンソール側に。 隙間クッションで押さえられているので 両面テープ等で固定しなくても 大丈夫みたいです。 ※ 最近の5件。 ※ 最近の一覧。横浜トヨペット Toyopet プリウス PRIUSα アルファ alpha DAA-ZVW41W-AXXGB DAA-ZVW40W-AWXGB ツーリングセレクションS DAA-ZVW41W-AXXEB(T) YOKOHAMA ハイブリッド hybrid synergy drive 共同作用. 共働,シナジー 複合型相乗効果ドライブ 複合型相乗効果駆動 ハイブリッド相乗効果ドライブ puriusu シートヒーター CH-001 MITSUBA ミツバサンコーワ CH-002 追加シートヒーター CH-001のオプション品 seat Heater サイト内の検索が出来ます。 あの頃 の easy my web ボクらは いつか 見た 青い 空と 緑 大地 軌跡 イルカ IRUKA YouTube 歌詞「」あのころ あの 日 時 場所 ぼくは 僕らは 綺麗な 空 蒼い 葵 碧い 藍い 何時か 観た 看た 宙 天 大空 僕達は ボク 達は 時間 湘南 SHONAN SYOUNAN 西湘 SEISHO SIYOUNAN In those days I saw the blue sky one day? I was in those days A Patch of Blue is it? At that time From back then What I did at that time? Eventually saw그 무렵의 나는 언젠가 본 푸른 하늘은? 在那些日子里我看到了蓝天一天?我在那些日子里 蓝色补丁是什么呢?In jenen Tagen sah ich den blauen Himmel einen Tag? Ich war in jenen Tagen A Patch of Blue ist das? En ces jours, jai vu le ciel bleu un jour? Jétais à cette époque Sono stato in quei giorni In quei giorni ho visto il cielo azzurro un giorno? A Patch of Blue è? В те дни я увидел синее небо один день? дня яEn ces jours, j ai vu le ciel bleu un jour? Eu vio céu azul algum dia? Me daqueles dias....人気ブログランキングへ |
|
| 夏の空・・・・ | アルバムから・・・・
夏に東北に行った時の 「青空と雲と月」です。

山奥で空気が澄んでいたから?・・・
※ 最近の5件。 ※ 最近の一覧。 〇 〇 〇 〇 〇 〇 サイト内の検索が出来ます。 あの頃 の easy my web ボクらは いつか 見た 青い 空と 緑 大地 軌跡 イルカ IRUKA YouTube 歌詞「」あのころ あの 日 時 場所 ぼくは 僕らは 綺麗な 空 蒼い 葵 碧い 藍い 何時か 観た 看た 宙 天 大空 僕達は ボク 達は 時間 湘南 SHONAN SYOUNAN 西湘 SEISHO SIYOUNAN In those days I saw the blue sky one day? I was in those days A Patch of Blue is it? At that time From back then What I did at that time? Eventually saw그 무렵의 나는 언젠가 본 푸른 하늘은? 在那些日子里我看到了蓝天一天?我在那些日子里 蓝色补丁是什么呢?In jenen Tagen sah ich den blauen Himmel einen Tag? Ich war in jenen Tagen A Patch of Blue ist das? En ces jours, jai vu le ciel bleu un jour? Jétais à cette époque Sono stato in quei giorni In quei giorni ho visto il cielo azzurro un giorno? A Patch of Blue è? В те дни я увидел синее небо один день? дня яEn ces jours, j ai vu le ciel bleu un jour? Eu vio céu azul algum dia? Me daqueles dias....人気ブログランキングへ |
|
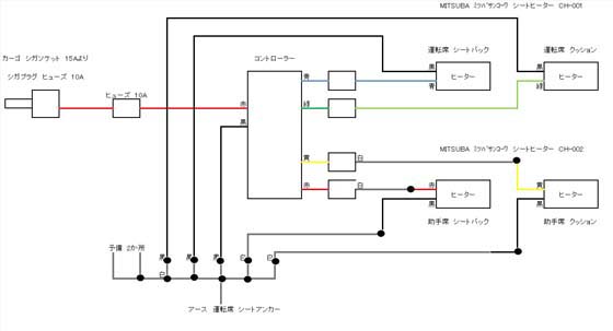
2013/10/26 22:32:00| 車・・・・ | シートヒーター回路は・・・・・ | MITSUBA ミツバサンコーワ シートヒーター CH-001 配線図を・・・・ 仮配線で カーゴルームのシガーソケットからの接続でしばらくは使用します?  最終的にはバッ直でREADYで入るリレーを付けて と思いますが・・・・  スタートスイッチを押してREADY状態で コントローラのスイッチを入れればヒーターが作動するように。 また、今までダッシュボードのヒューズボックスから 引いていたREADY電源も 補機バッテリーから直接できるようにできたら いいな・・・・ はたして、いつに??? ※ 最近の5件。 ※ 最近の一覧。 横浜トヨペット Toyopet プリウス PRIUSα アルファ alpha DAA-ZVW41W-AXXGB DAA-ZVW40W-AWXGB ツーリングセレクションS DAA-ZVW41W-AXXEB(T) YOKOHAMA ハイブリッド hybrid synergy drive 共同作用. 共働,シナジー 複合型相乗効果ドライブ 複合型相乗効果駆動 ハイブリッド相乗効果ドライブ puriusu シートヒーター CH-001 MITSUBA ミツバサンコーワ CH-002 追加シートヒーター CH-001のオプション品 seat Heater サイト内の検索が出来ます。 あの頃 の easy my web ボクらは いつか 見た 青い 空と 緑 大地 軌跡 イルカ IRUKA YouTube 歌詞「」あのころ あの 日 時 場所 ぼくは 僕らは 綺麗な 空 蒼い 葵 碧い 藍い 何時か 観た 看た 宙 天 大空 僕達は ボク 達は 時間 湘南 SHONAN SYOUNAN 西湘 SEISHO SIYOUNAN In those days I saw the blue sky one day? I was in those days A Patch of Blue is it? At that time From back then What I did at that time? Eventually saw그 무렵의 나는 언젠가 본 푸른 하늘은? 在那些日子里我看到了蓝天一天?我在那些日子里 蓝色补丁是什么呢?In jenen Tagen sah ich den blauen Himmel einen Tag? Ich war in jenen Tagen A Patch of Blue ist das? En ces jours, jai vu le ciel bleu un jour? Jétais à cette époque Sono stato in quei giorni In quei giorni ho visto il cielo azzurro un giorno? A Patch of Blue è? В те дни я увидел синее небо один день? дня яEn ces jours, j ai vu le ciel bleu un jour? Eu vio céu azul algum dia? Me daqueles dias....人気ブログランキングへ |
|
2013/10/26 21:58:00| 車・・・・ | シートヒーターの取り付けを・・・・・3 | 配線は接続は割愛して・・・・・ 接続ご仮配線で 配線に流れる電流値を測定しました。 配線を接続しただけで スイッチは待機電流が流れていました。 約13mA。  片側の座面と背もたれを「弱」で通電したら 0.31Aでした。  片側の座面と背もたれを「強」で通電したら 3.45A。 (LED表示ランプ全て強になっていますが片側は接続していません。)  取付説明書には4Aとなっていたので 表示以下なので安心しました。 座席に座ると「ポカポカ」いい感じです。 小雨降る寒い中のおっけ作業でした。 スイッチや配線はまだ仮配線なので 明日の車の一年点検が終わった後に出来たらいいな・・・・ ※ 最近の5件。 ※ 最近の一覧。 横浜トヨペット Toyopet プリウス PRIUSα アルファ alpha DAA-ZVW41W-AXXGB DAA-ZVW40W-AWXGB ツーリングセレクションS DAA-ZVW41W-AXXEB(T) YOKOHAMA ハイブリッド hybrid synergy drive 共同作用. 共働,シナジー 複合型相乗効果ドライブ 複合型相乗効果駆動 ハイブリッド相乗効果ドライブ puriusu シートヒーター CH-001 MITSUBA ミツバサンコーワ CH-002 追加シートヒーター CH-001のオプション品 seat Heater サイト内の検索が出来ます。 あの頃 の easy my web ボクらは いつか 見た 青い 空と 緑 大地 軌跡 イルカ IRUKA YouTube 歌詞「」あのころ あの 日 時 場所 ぼくは 僕らは 綺麗な 空 蒼い 葵 碧い 藍い 何時か 観た 看た 宙 天 大空 僕達は ボク 達は 時間 湘南 SHONAN SYOUNAN 西湘 SEISHO SIYOUNAN In those days I saw the blue sky one day? I was in those days A Patch of Blue is it? At that time From back then What I did at that time? Eventually saw그 무렵의 나는 언젠가 본 푸른 하늘은? 在那些日子里我看到了蓝天一天?我在那些日子里 蓝色补丁是什么呢?In jenen Tagen sah ich den blauen Himmel einen Tag? Ich war in jenen Tagen A Patch of Blue ist das? En ces jours, jai vu le ciel bleu un jour? Jetais a cette epoque Sono stato in quei giorni In quei giorni ho visto il cielo azzurro un giorno? A Patch of Blue e? В те дни я увидел синее небо один день? дня яEn ces jours, j ai vu le ciel bleu un jour? Eu vio ceu azul algum dia? Me daqueles dias....人気ブログランキングへ |
|
<< 前の5件 [ 1286 - 1290 件 / 6167 件中 ] 次の5件 >>
<< 最新の記事へ >>
|